

STCC用于測量拉力負載,常用于起重機鋼絲繩負載測量和懸掛容器的稱重。標準規格有10 、15、25、50ton。17-4PH材質,IP67防護等級。

●技術特性
üAISI 630 (17-4-PH)不銹鋼材質
ü氣密焊接封裝,IP67等級
ü高過載能力
ü獨立測試報告
üEX型號可用于危險區 (可選)
●技術參數
量程規格 Emax30 Ton | 10、15、25、50 ton 其他量程可根據要求定制 |
安全過載 | 150%Emax |
極限過載 | 500%Emax |
額定輸出 Cn | 1.5mV/V |
最大變形量 | 0.3mm |
輸出誤差 | 0.1%Cn |
零點誤差 | 1%Cn |
線性誤差 | 0.1%Cn |
滯后誤差 | 0.1%Cn |
重復誤差 | 0.1%Cn |
蠕變(30分鐘) | 0.1%Cn |
零點溫漂 | 0.003%Cn/℃ |
輸出溫漂 | 0.002%Cn/℃ |
輸入阻抗 | 700±10 ohm |
輸出阻抗 | 700±2 ohm |
絕緣阻抗 | >3000 Mohm |
激勵電壓 | 5 .. 15Vdc |
補償溫度 | -10.. +40℃ |
存放溫度 | -20.. +70℃ |
材質 | 17-4PH不銹鋼 |
防護等級 | IP67 |
電纜 | 4芯5米雙屏蔽電纜,其他電纜長度要求請另詢 |
自身重量 | 12 .. 20 kg(根據具體型號) |
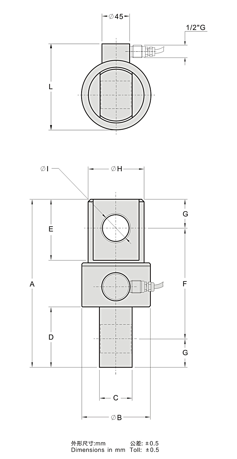
●外形尺寸
