

SFA2096一種雙剪切梁結構的測力/稱重傳感器,安裝方式簡單,適用于鋼廠等重載行業的稱重測力應用。根據要求可定制為高溫型(最高250℃)傳感器。

● 技術特性
ü 17-4PH不銹鋼材料
ü IP67防護等級
ü 抗過載和側向力,安裝簡單
ü 量程和尺寸可定制
● 典型應用
鋼包回轉臺、鋼包運輸車、廢料籃、輥道秤、中間罐秤、料倉/料斗秤
● 技術參數
| 額定量程 | 200 ton |
安全載荷 | 360 ton |
極限過載 | 600 ton |
額定輸出 | 1.8mV/V |
零點溫漂 | ≤±0.05%Cn/℃ |
輸出溫漂 | ≤±0.05%Cn/℃ |
補償溫度 | 0 to +60℃ |
工作溫度 | -20℃ to +80℃ |
材質 | 17-4PH不銹鋼 |
防護等級 | IP67 |
激勵電壓 | 5 to 15Vdc |
電纜規格 | 特氟龍屏蔽電纜,外徑5.4mm,溫度范圍-50..+200℃ |
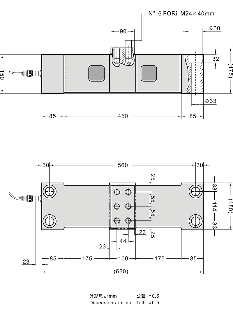
● 外形尺寸
