

CCX系列壓式傳感器主要適用于大噸位重載測力和稱重場合,如大型料倉,大型結構物,鋼廠等。量程規格從30噸..625噸范圍內可定制設計。

SCC系列壓式傳感器主要適用于大噸位重載測力和稱重場合,如大型料倉,大型結構物,鋼廠等。量程規格從30噸..625噸范圍內可定制設計。

SCC傳感器在大型料倉下安裝
●技術特性
üAISI 630 (17-4-PH)不銹鋼材質
ü氣密焊接, IP67等級
ü量程可定制
ü獨立檢測報告
üEX 類型產品可用于危險區域 (可選)
●技術參數
量程規格 Emax | 50、100、200、300、400、500、625 ton 其他量程可根據要求定制 |
安全過載 | 150%Emax |
極限過載 | 500%Emax |
額定輸出 Cn | 1.5mV/V |
最大變形量 | 0.3mm |
輸出誤差 | 0.1%Cn |
零點誤差 | 1%Cn |
線性誤差 | 0.1%Cn |
滯后誤差 | 0.1%Cn |
重復誤差 | 0.1%Cn |
蠕變(30分鐘) | 0.1%Cn |
零點溫漂 | 0.003%Cn/℃ |
輸出溫漂 | 0.002%Cn/℃ |
輸入阻抗 | 700±10 ohm |
輸出阻抗 | 700±2 ohm |
絕緣阻抗 | >3000 Mohm |
激勵電壓 | 5 .. 15Vdc |
補償溫度 | -10.. +40℃ |
存放溫度 | -20.. +70℃ |
材質 | 17-4PH不銹鋼 |
防護等級 | IP67 |
電纜 | 4芯5米雙屏蔽電纜,其他電纜長度要求請另詢 |
自身重量 | 10 .. 75 kg(根據具體型號) |
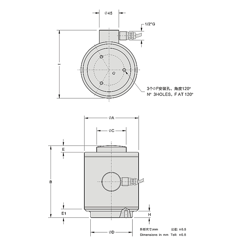
●外形尺寸

型號 | 量程 ton | A | B | C | D | E | E1 | F | G | H | I |
CCX 30 | 30 | 130 | 170 | 70 | 100 | 15 | 15 | M8 | 35 | 15 | 157 |
CCX 50 | 50 | 130 | 170 | 70 | 100 | 15 | 15 | M8 | 35 | 15 | 157 |
CCX 100 | 100 | 130 | 170 | 70 | 100 | 15 | 15 | M8 | 35 | 15 | 157 |
CCX 200 | 200 | 160 | 220 | 120 | 130 | 20 | 20 | M12 | 45 | 25 | 187 |
CCX 300 | 300 | 160 | 220 | 120 | 130 | 20 | 20 | M12 | 45 | 25 | 187 |
CCX 400 | 400 | 210 | 250 | 150 | 160 | 25 | 20 | M16 | 55 | 35 | 237 |
CCX 500 | 500 | 210 | 250 | 150 | 160 | 25 | 25 | M16 | 55 | 35 | 237 |
CCX 625 | 625 | 230 | 300 | 180 | 220 | 30 | 25 | M24 | 60 | 35 | 262 |